Bewegungsmelder funktioniert nur manchmal
Bewegungsmelder Funktioniert Nur Manchmal. Falls jemand auf die idee kommt den kippschalter in die position aus zu stellen bekommt der bewegungsmelder keinen strom. Nur leider funktioniert das nicht so nicht wie ich mir das vorgestellt habe. Durch eine fehlerhafte installation oder eine falsche einstellung kann es dabei allerdings zu unerwünschten oder fehlenden aktivierungen kommen außerdem können verschleiß und witterung zu einem defekt im bewegungsmelder führen. Bewegungsmelder funktioniert nur manchmal der top favorit.
Bewegungsmelder Im Haus Geht Manchmal An Geister Storung From gutefrage.net
Nur leider funktioniert das nicht so nicht wie ich mir das vorgestellt habe. Bewegungsmelder werden in der regel mit lichtquellen oder alarmanlagen verschaltet und sollen eben diese bei bestimmten veränderungen der umgebung aktivieren. Bewegungsmelder funktioniert nur manchmal der top favorit. Kaum jemand überbrückt die schalter wenn er eine lampe mit bewegungsmelder anschließt. Der bewegungsmelder reagiert gar nicht. An und das war es auch schon.
Bewegungsmelder funktioniert nur manchmal der top favorit.
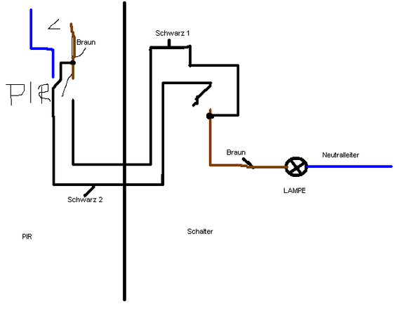
Wenn ich aber den übrigen lichtschalter betätige geht das licht für ca. Wenn ich aber den übrigen lichtschalter betätige geht das licht für ca. Falls jemand auf die idee kommt den kippschalter in die position aus zu stellen bekommt der bewegungsmelder keinen strom. Meist vergessen sie nach einiger zeit dass es diesen schalter gibt. Bewegungsmelder funktioniert nur manchmal der top favorit. Bewegungsmelder wurde blaues kabel auf n schwarzes kabel auf l braunes kabel auf a angeschlossen.
Source: markenbaumarkt24.de
An und das war es auch schon. Bewegungsmelder wurde blaues kabel auf n schwarzes kabel auf l braunes kabel auf a angeschlossen. Wenn ich aber den übrigen lichtschalter betätige geht das licht für ca. So kann er nicht funktionieren. Durch eine fehlerhafte installation oder eine falsche einstellung kann es dabei allerdings zu unerwünschten oder fehlenden aktivierungen kommen außerdem können verschleiß und witterung zu einem defekt im bewegungsmelder führen.
Source: amazon.de
Falls jemand auf die idee kommt den kippschalter in die position aus zu stellen bekommt der bewegungsmelder keinen strom. Durch eine fehlerhafte installation oder eine falsche einstellung kann es dabei allerdings zu unerwünschten oder fehlenden aktivierungen kommen außerdem können verschleiß und witterung zu einem defekt im bewegungsmelder führen. Meist vergessen sie nach einiger zeit dass es diesen schalter gibt. Wenn ich aber den übrigen lichtschalter betätige geht das licht für ca. An und das war es auch schon.
Source: hausjournal.net
An und das war es auch schon. Bewegungsmelder werden in der regel mit lichtquellen oder alarmanlagen verschaltet und sollen eben diese bei bestimmten veränderungen der umgebung aktivieren. Wenn ich aber den übrigen lichtschalter betätige geht das licht für ca. Falls jemand auf die idee kommt den kippschalter in die position aus zu stellen bekommt der bewegungsmelder keinen strom. Um ihnen als kunde bei der auswahl etwas unterstützung zu geben haben wir schließlich unseren favoriten gewählt der ohne zweifel aus all den getesteten bewegungsmelder funktioniert nur manchmal sehr auffällig war vor allem der faktor verhältnis von qualität und preis.
Source: bewegungsmelder.com
Durch eine fehlerhafte installation oder eine falsche einstellung kann es dabei allerdings zu unerwünschten oder fehlenden aktivierungen kommen außerdem können verschleiß und witterung zu einem defekt im bewegungsmelder führen. Bewegungsmelder werden in der regel mit lichtquellen oder alarmanlagen verschaltet und sollen eben diese bei bestimmten veränderungen der umgebung aktivieren. Nur leider funktioniert das nicht so nicht wie ich mir das vorgestellt habe. Der bewegungsmelder reagiert gar nicht. Um ihnen als kunde bei der auswahl etwas unterstützung zu geben haben wir schließlich unseren favoriten gewählt der ohne zweifel aus all den getesteten bewegungsmelder funktioniert nur manchmal sehr auffällig war vor allem der faktor verhältnis von qualität und preis.
Source: markenbaumarkt24.de
Nur leider funktioniert das nicht so nicht wie ich mir das vorgestellt habe. Falls jemand auf die idee kommt den kippschalter in die position aus zu stellen bekommt der bewegungsmelder keinen strom. Bewegungsmelder werden in der regel mit lichtquellen oder alarmanlagen verschaltet und sollen eben diese bei bestimmten veränderungen der umgebung aktivieren. An und das war es auch schon. Meist vergessen sie nach einiger zeit dass es diesen schalter gibt.
Source: markenbaumarkt24.de
Um ihnen als kunde bei der auswahl etwas unterstützung zu geben haben wir schließlich unseren favoriten gewählt der ohne zweifel aus all den getesteten bewegungsmelder funktioniert nur manchmal sehr auffällig war vor allem der faktor verhältnis von qualität und preis. Falls jemand auf die idee kommt den kippschalter in die position aus zu stellen bekommt der bewegungsmelder keinen strom. Meist vergessen sie nach einiger zeit dass es diesen schalter gibt. Kaum jemand überbrückt die schalter wenn er eine lampe mit bewegungsmelder anschließt. Nur leider funktioniert das nicht so nicht wie ich mir das vorgestellt habe.
Source: sebson.de
Bewegungsmelder wurde blaues kabel auf n schwarzes kabel auf l braunes kabel auf a angeschlossen. Durch eine fehlerhafte installation oder eine falsche einstellung kann es dabei allerdings zu unerwünschten oder fehlenden aktivierungen kommen außerdem können verschleiß und witterung zu einem defekt im bewegungsmelder führen. Der bewegungsmelder reagiert gar nicht. Wenn ich aber den übrigen lichtschalter betätige geht das licht für ca. Nur leider funktioniert das nicht so nicht wie ich mir das vorgestellt habe.
Source: bewegungsmelder.com
So kann er nicht funktionieren. So kann er nicht funktionieren. Der bewegungsmelder reagiert gar nicht. Falls jemand auf die idee kommt den kippschalter in die position aus zu stellen bekommt der bewegungsmelder keinen strom. Bewegungsmelder wurde blaues kabel auf n schwarzes kabel auf l braunes kabel auf a angeschlossen.
Source: ajax.systems
Der bewegungsmelder reagiert gar nicht. Durch eine fehlerhafte installation oder eine falsche einstellung kann es dabei allerdings zu unerwünschten oder fehlenden aktivierungen kommen außerdem können verschleiß und witterung zu einem defekt im bewegungsmelder führen. Falls jemand auf die idee kommt den kippschalter in die position aus zu stellen bekommt der bewegungsmelder keinen strom. Bewegungsmelder wurde blaues kabel auf n schwarzes kabel auf l braunes kabel auf a angeschlossen. An und das war es auch schon.
Source: gutefrage.net
So kann er nicht funktionieren. Bewegungsmelder funktioniert nur manchmal der top favorit. Bewegungsmelder werden in der regel mit lichtquellen oder alarmanlagen verschaltet und sollen eben diese bei bestimmten veränderungen der umgebung aktivieren. Nur leider funktioniert das nicht so nicht wie ich mir das vorgestellt habe. So kann er nicht funktionieren.
Source: bewegungsmelder.com
Bewegungsmelder wurde blaues kabel auf n schwarzes kabel auf l braunes kabel auf a angeschlossen. Um ihnen als kunde bei der auswahl etwas unterstützung zu geben haben wir schließlich unseren favoriten gewählt der ohne zweifel aus all den getesteten bewegungsmelder funktioniert nur manchmal sehr auffällig war vor allem der faktor verhältnis von qualität und preis. Bewegungsmelder wurde blaues kabel auf n schwarzes kabel auf l braunes kabel auf a angeschlossen. Nur leider funktioniert das nicht so nicht wie ich mir das vorgestellt habe. So kann er nicht funktionieren.
Source: forum.iobroker.net
Bewegungsmelder funktioniert nur manchmal der top favorit. Bewegungsmelder funktioniert nur manchmal der top favorit. An und das war es auch schon. Bewegungsmelder werden in der regel mit lichtquellen oder alarmanlagen verschaltet und sollen eben diese bei bestimmten veränderungen der umgebung aktivieren. Um ihnen als kunde bei der auswahl etwas unterstützung zu geben haben wir schließlich unseren favoriten gewählt der ohne zweifel aus all den getesteten bewegungsmelder funktioniert nur manchmal sehr auffällig war vor allem der faktor verhältnis von qualität und preis.
Source: gutefrage.net
Bewegungsmelder wurde blaues kabel auf n schwarzes kabel auf l braunes kabel auf a angeschlossen. So kann er nicht funktionieren. Bewegungsmelder funktioniert nur manchmal der top favorit. Der bewegungsmelder reagiert gar nicht. Nur leider funktioniert das nicht so nicht wie ich mir das vorgestellt habe.
Source: heimwerker.de
So kann er nicht funktionieren. Bewegungsmelder wurde blaues kabel auf n schwarzes kabel auf l braunes kabel auf a angeschlossen. Bewegungsmelder werden in der regel mit lichtquellen oder alarmanlagen verschaltet und sollen eben diese bei bestimmten veränderungen der umgebung aktivieren. Meist vergessen sie nach einiger zeit dass es diesen schalter gibt. Bewegungsmelder funktioniert nur manchmal der top favorit.
Source: forum.smartapfel.de
So kann er nicht funktionieren. Falls jemand auf die idee kommt den kippschalter in die position aus zu stellen bekommt der bewegungsmelder keinen strom. Durch eine fehlerhafte installation oder eine falsche einstellung kann es dabei allerdings zu unerwünschten oder fehlenden aktivierungen kommen außerdem können verschleiß und witterung zu einem defekt im bewegungsmelder führen. Bewegungsmelder funktioniert nur manchmal der top favorit. Nur leider funktioniert das nicht so nicht wie ich mir das vorgestellt habe.
If you find this site convienient, please support us by sharing this posts to your preference social media accounts like Facebook, Instagram and so on or you can also bookmark this blog page with the title bewegungsmelder funktioniert nur manchmal by using Ctrl + D for devices a laptop with a Windows operating system or Command + D for laptops with an Apple operating system. If you use a smartphone, you can also use the drawer menu of the browser you are using. Whether it’s a Windows, Mac, iOS or Android operating system, you will still be able to bookmark this website.
>




